联系电话:
0512-63976840
测量接地电阻常用的方法有电压-电流表法和接地电阻测量仪法等。
一、电压-电流表法
1、电压-电流表法又称为三极法,适用于大面积接地网接地电阻的测试。其接线如下图所示。

上图中,隔离变压器的作用是使电源对地隔离,这是因为一般低压交流电源是由一相一地构成的,若没有隔离变压器,则相线端直接接到被测接地装置上,可能造成近似于调压器短路,被测试验电流会很大。隔离变压器可用交流电焊机代替,电流和电压极可用角钢或钢管做成,埋入深度应大于0.8m,连线截面积应大于1.5mm2。电流极与被测接地极构成电流回路;电压极用来取得被测接地体的电位。当在电流极与接地网之间施加工频电压时,便有工频电流I通过接地网的接地电阻,用电压表测量1、2两点间电流I在接地电阻上的压降U,则接地电阻Re值可由下式计算:
Re=U/I
试验应在干燥天气下进行,并反复测3~4次,取平均值。
2、对运行中的发电厂、变电所接地网,若地中有干扰电流流过,电压表读数中包含干扰电压,测量结果不是实际的接地电阻值。此时可用电源倒相或增大试验电流的方法来消除和减少干扰造成的误差。用倒相法测接地电阻的接线图如下。

如上图,用倒相法测接地电阻的步骤为:
1)断开电源开关,将隔离变压器一次侧短路,测无电源时的干扰电流和电压。
2)在正向电压下测电流和电压。
3)在反向电压下测电流和电压。
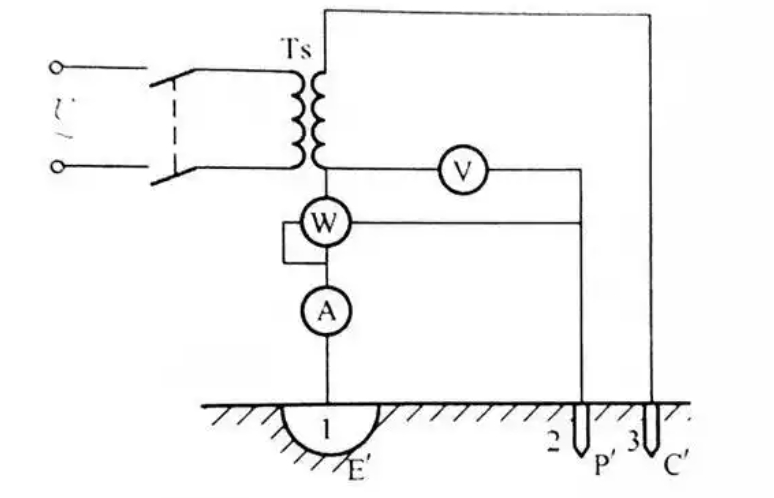
3、对于电流、电压测量线很长又并行排列的情况,线间互感形成的互感电压也会影响测量结果,此时可用下图所示的功率表法来测量接地电阻。

如上图,用功率表法测量接地电阻时:
Re=P/I2=U2/P;
P=(PZ+Pf)/2。
其中PZ为电源正向加压时的实测功率(W);Pf为电源反向加压时的实测功率(W)。
4、测试极的布置方式有直线法和夹角法两种,如下图所示。

1)上图(a)为直线法,电流极与接地体边缘之间的距离d13一般取接地体最大对角线长度D的4~5倍,d12为0.618d13。如有困难时,在土壤电阻率较均匀的地区,可取d13=2D,d12=1.3D;在土壤电阻率不均匀的地区,可取d13=3D,d12=1.7D。
测量时,将电压极沿接地体和电流极的连线方向移动3次,每次移动距离为d13的5%左右,3次测得接地电阻值的差值应小于5%,否则应查明原因,如电流、电压极引线是否太短等。取3次平均值作为接地体的接地电阻。
2)上图(b)为夹角法,一般取d12=d13=2D,夹角α≈30°,测量时也应将电压极前后移动3次,取3次的平均值。夹角法与直线法相比有下列优点:
(1)可以减少引线间互感的影响。
(2)在不均匀土壤中,当取d13=2D时,用夹角法测得的结果相当于直线法d13=3D的测量结果。
(3)夹角法电压极附近的电位变化较缓,从29°~60°的电位变化相当于直线法0.618d13~0.5d13的电位变化。因此,由于夹角法布置的位置偏移,电压极和电流极到接地体之间的夹角不准及土壤电阻率不均匀,导致电位分布不规则而引起的误差,一般要比直线法小。
二、接地电阻测量仪测量法
接地电阻测量仪的种类有很多,通常采用国产ZC-8型接地电阻表进行测量。

上图所示为ZC-8型接地电阻表的原理接线,该仪表主要由手摇发电机、电流互感器、可调电阻RS和检流计等组成。将接线端子“E"接于被测接地极,“C"接于电流极,“P"接于电压极。摇动发电机手柄,电流I1从发电机经过电流互感器TA、接地极E、大地和C回到发电机。电流I2是电流互感器感应的二次电流,通过可调电阻RS构成回路,调节RS的触点“B",使检流计指零。则E和P之间的电位差与RS的O点和B点之间的电位差相等。如果标度盘满刻度为10,读数为N,则有下列等式:
I1×RX=I2×RSN/10;
RX=I2/I1×RX×N/10
11与I2的比例关系可由倍率开关S改变,从而可得到三个不同的量程。
三、测量接地电阻时的注意事项
1、测量接地电阻应在干燥天气进行,避免雨后立即进行,应记录测量时的天气情况。
2、测量接地电阻所用的试验引线截面积不应小于1~1.5mm2;试验引线应与地绝缘。用ZC-8型表测量时,试验引线的电阻不应大于RX的2%~3%。
3、电流极与电压极的引线应在线路或地下金属管道垂直方向上。
4、为了减少测量误差,被测接地点有漆或锈时,应将其清除后再进行测量。
5、测量接地电阻时,被测接地装置应与避雷线断开。
上一篇:没有了
下一篇:数字电桥原理